Intersteel Magneet Klavier dag en nachtslot SL56 met zwarte voorplaat 20×175 mm

€ 17,95

Dit klavier dag- en nachtslot werkt op basis van magnetisme. Bij het sluiten van de deur wordt de dagschoot door magneten uitgetrokken waardoor de deur vergrendelt. De deur wordt gewoon met de deurklink geopend, maar wanneer hij geopend is, steekt de dagschoot niet meer uit. Dit zorgt niet alleen voor een strakke afwerking, u voorkomt hiermee ook beschadigingen aan het kozijn of dat u er onverhoopt achter blijft haken. Dit slot heeft een sleutelgat maat van 56 mm, een doornmaat van 50 mm en wordt geleverd inclusief sluitplaat en zwarte voorplaat.

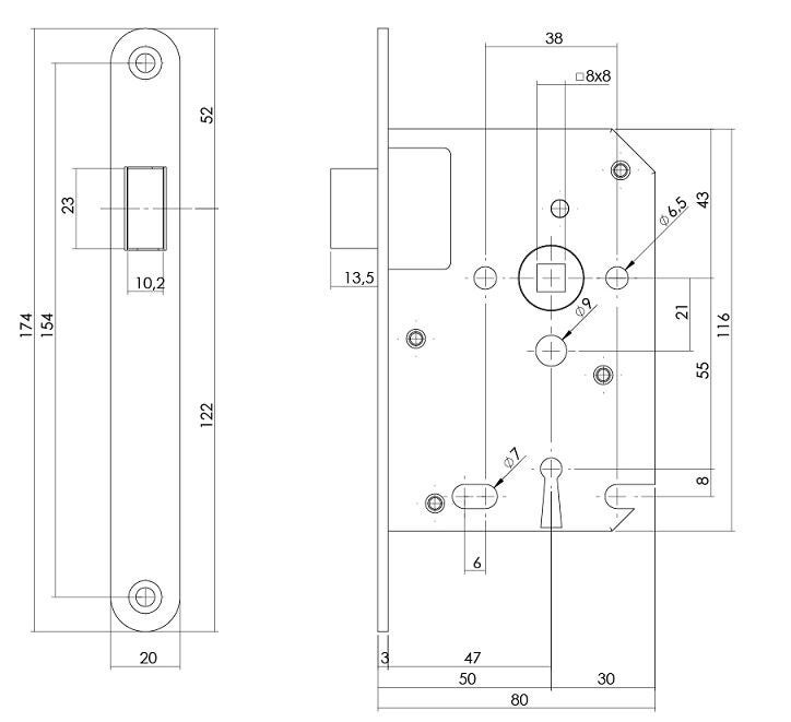
Alle maten zie afbeelding 2 en 3.

Wat zit er in de verpakking: 
– Woningbouwslot
– Twee klaviersleutels
– Sluitkom
– bevestigingsmateriaal voor montage

Merk:IntersteelKleur:Mat zwartMateriaal:StaalInterieurstijl:Modern & StrakCollectie:Intersteel EssentialsMaatvoering:Sleutelgat maat 55 mm